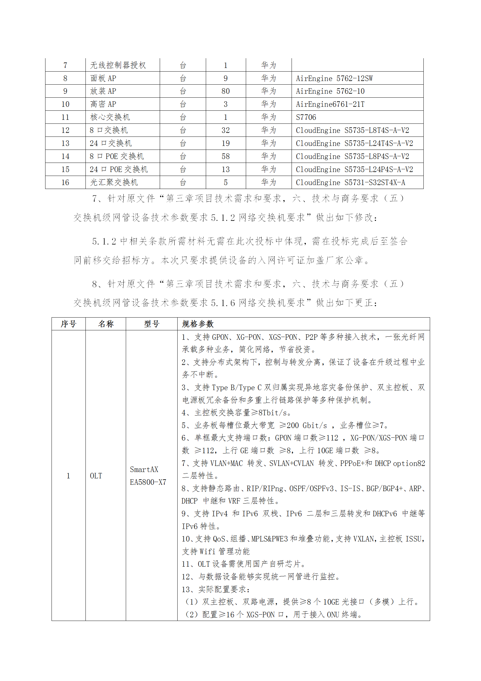
本文件作為“年產50萬噸露露系列飲料項目(一期)5G專網覆蓋服務及硬件設備采購實施項目招標”(以下簡稱“原文件”)文件的補充說明文件。
露露
關于露露
產品介紹
投資者專區
新聞中心
商務公告
聯系我們